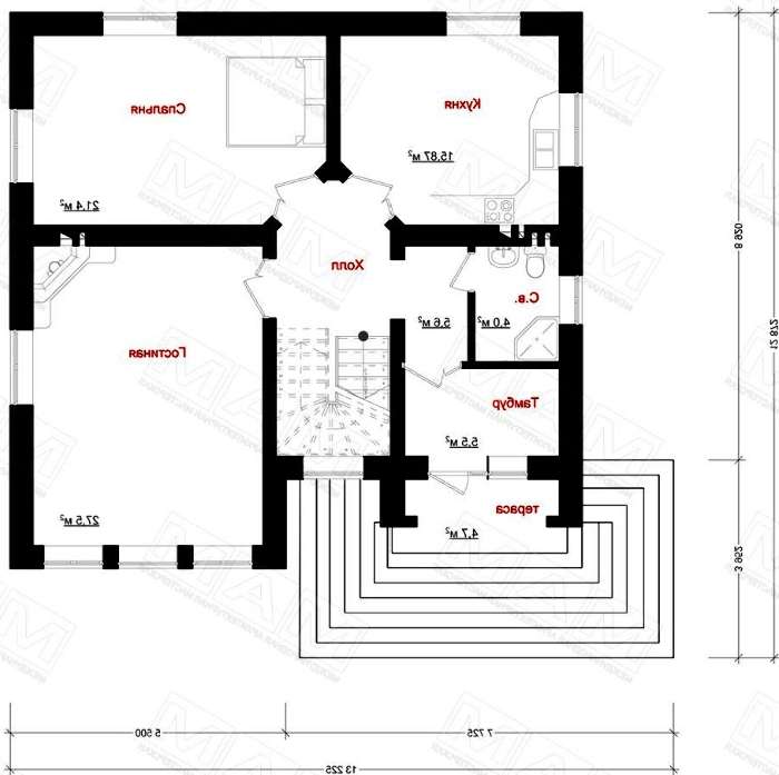
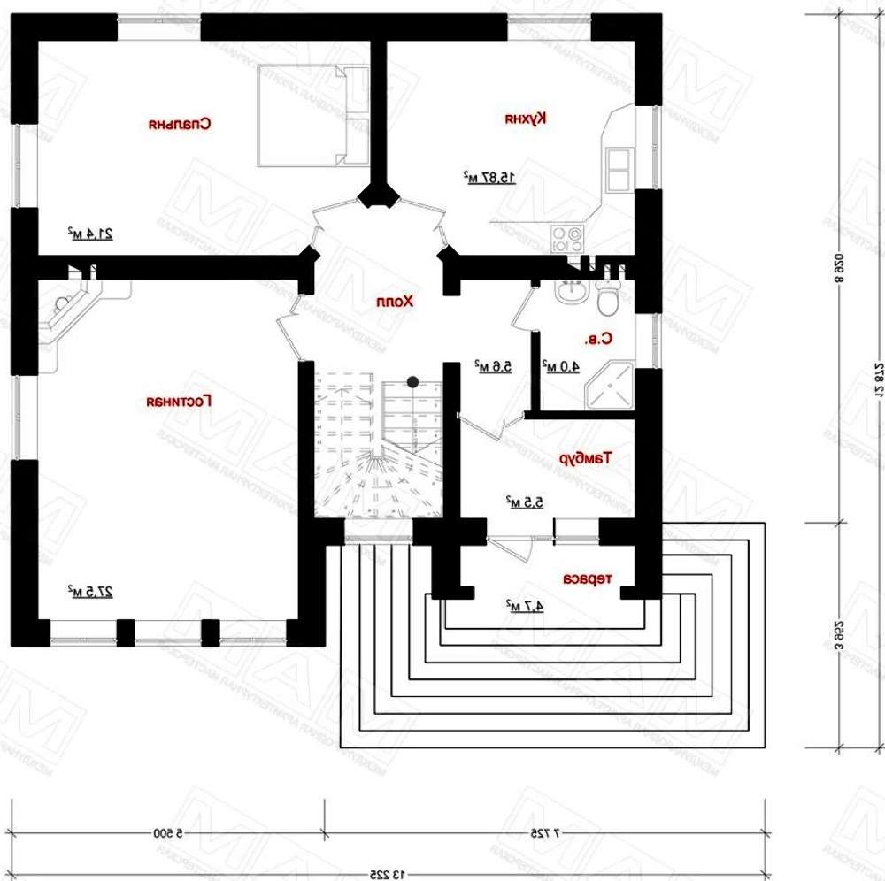
Проект инженерных сетей позволит грамотно проложить коммуникации и сделать дом по-настоящему комфортным и современным.
| Артикул | 4M834 |
| Количество этажей: | 3 |
| Общая площадь: | 356.00 м2 |
| Количество спален: | 4 |
| Количество санузлов: | 2 |
| Минимальный размер участка(длина): | 17.00 м |
| Минимальный размер участка(ширина): | 17.00 м |
| Площадь цокольного этажа: | 84.00 м2 |
Материалы: | |
| Стены: | газобетонные блоки или кирпич |
| Перекрытие: | монолитное перекрытие |
| Кровля: | керамическая черепица |
| Фундамент: | монолитная лента |
|
|
|
Ваш помощник свяжется с Вами в ближайшее время. |
|
| Артикул | 4M834 |
| Количество этажей: | 3 |
| Общая площадь: | 356.00 м2 |
| Количество спален: | 4 |
| Количество санузлов: | 2 |
| Минимальный размер участка(длина): | 17.00 м |
| Минимальный размер участка(ширина): | 17.00 м |
| Площадь цокольного этажа: | 84.00 м2 |
Материалы: | |
| Стены: | газобетонные блоки или кирпич |
| Перекрытие: | монолитное перекрытие |
| Кровля: | керамическая черепица |
| Фундамент: | монолитная лента |
|
|
|
Ваш помощник свяжется с Вами в ближайшее время. |
|
Приобретая проект дома в компании Dom4M, Вы получаете комплект чертежей - 2 экземпляра, необходимый для проведения строительных работ и беспрепятственного получения разрешения на строительство.
Проект содержит три раздела – Архитектурный, Конструктивный и Инженерный: водоснабжение, отопление, вентиляция, канализация, электроснабжение (приобретается за дополнительную плату) + Пояснительная записка.
1. Архитектурный раздел:
2. Конструктивный раздел:
3. Инженерный раздел (приобретается по желанию за дополнительную плату):
Водоснабжение и канализация
Отопление, вентиляция
Электротехнические решения:
Проект является типовым и не учитывает конкретных условий строительства
Срок изготовления проекта дома составляет от 3 до 30 рабочих дней.
Объем проектной документации – от 50 до 100 страниц А4 и А3, в зависимости от сложности проекта
Наша команда Архитекторов, Конструкторов и Инженеров – всегда готовы воплотить Вашу мечту в реальность!
Мы можем вносить любые изменения в проект по Вашему пожеланию и адаптировать его с учетом конкретных геолого-топографических и климатических условий, за дополнительную плату.
Всегда рады Вам помочь!
Любой архитектурно-строительный проект состоит из трех частей: архитектурной, конструкторской
и инженерной. Это документ, без которого застройщик не получит разрешение на начало строительства.
Основной частью проекта являются архитектурный и конструкторский разделы. Если заказчик точно уверен, что в строительной бригаде найдутся толковые специалисты по инженерным сетям, то от разработки этой части проекта в специализированной фирме можно отказаться. Но необходимо понимать, что архитектор, конструктор и инженер работают над проектом сообща и такие моменты, как, например, штробы и проемы в стенах для прокладки труб и проводов, предусматриваются ими заранее.
Прежде, чем приступать к проектированию, необходимо определиться, какая будет коммуникация – индивидуальная или подключенная к централизованной системе.
Индивидуальное водоснабжение дает полную независимость от внешних условий. Но необходимо помнить, что понадобятся собственные источники воды, а бурение скважины обойдется в приличную сумму.
Подключение к централизованной системе потребует разработки проекта в соответствии с техническими условиями существующей сети и получение разрешения на врезку.
При подключении канализации к централизованной системе, порядок работы такой же, как и при подключении водоснабжения: оформление запроса в соответствующие службы, разработка проекта, получение разрешения на врезку в систему. Если вы решили организовать индивидуальную канализационную систему, то время от времени вам придется приглашать ассенизаторскую службу.
Если система вентиляции это всегда индивидуальное проектирование, то отопление может быть как индивидуальным (печное, воздушное, водяное, электрическое), так и с подключением к централизованным сетям.
Электрические системы можно разделить на обязательные и дополнительные. К обязательным относятся внутреннее и наружное освещение, системы вентиляции, кондиционирования и электроотопления. К дополнительным можно отнести такие системы, как "Теплый пол" или автоматизированное управление воротами.
ВАЖНО
Проект инженерных сетей позволит грамотно проложить коммуникации и сделать дом по-настоящему комфортным и современным.
Зачастую перед заказчиком встает вопрос: выбрать типовой проект дома и сэкономить, потеряв при этом на оригинальности будущего жилья, или заказать индивидуальный проект, но за большие деньги.
Наша компания предлагает компромиссный вариант. Вы заказываете типовой проект, а мы вносим в него изменения, максимально учитывая все ваши пожелания. Конечно, это предполагает дополнительные расходы, но, в любом случае, такое проект обойдется намного дешевле, чем работа под конкретный заказ. А уж о том, чтобы ваш дом выглядел оригинально, мы позаботимся.
В проект дома можно внести такие изменения: 
перенести стенные перегородки. Но только в том случае, если они не являются несущими. Такая операция позволит изменить размер и назначение комнат
перенос оконных и дверных проемов позволит изменить освещенность комнат и организовать удобный доступ в нужные вам помещения
изменение типа перекрытий и стен позволит вам в полной мере реализовать собственные представления об экономном и рациональном жилье
изменить высоту потолков. Хотя все наши дома спроектированы с оптимальной высотой помещений 2,8 м, некоторые заказчики считают, что высокие потолки – это дополнительный уют и комфорт
переоборудование мансарды под жилое помещение даст вам возможность расширить собственное жизненное пространство
изменять угол наклона кровли и навесов стоит с учетом климатических условий конкретного региона
изменять тип фундамента необходимо, учитывая инженерно-геологических параметры грунта. Также существует возможность добавить или изменить подвал или цокольный этаж
добавить, убрать, изменить гараж или террасу, вы можете, сообразуясь со своими представлениями о функциональности жилья
изменение конструктивного состава, строительных и отделочных материалов позволит вам экономно распорядиться собственными финансовыми средствами
проект в зеркальном отображении позволит органично вписать дом в окружающий ландшафт.
ВАЖНО:
Внесенные изменения не должны влиять на безопасность дома.
Слишком большое количество изменений, как правило, не улучшают проект. Если в каталоги вы не смогли выбрать подходящий дом, то, может быть, стоит заказать у архитектора жилье по индивидуальному проекту.
Дом, построенный по типовому проекту, может выглядеть оригинально
Мы идем в ногу со временем и уже сегодня предлагаем вам возможность получить вместе с проектной документацией BIMx модель - основанной на технологии, обеспечивающей одновременную навигацию по 2D-документации и 3D-моделям зданий. _300x169.jpg)
*Файл вы получаете в электронном виде и используете с помощью приложения BIMX на мобильных устройствах Apple и Android
BIMx модель - интерактивный просмотр трехмерной модели вашего дома. Теперь вы сможете «покрутить, походить внутри, увидеть ваш будущий Дом со всех сторон»

Когда разрабатывается типовой проект дома, то за основу берутся некие усредненные параметры почвы. Но, не располагая точными данными геологической экспертизы, сложно учесть все нюансы при проектировании. Поэтому, зачастую инженерно-геологические характеристики реального участка существенно отличаются от изначально заложенных в проекте. А это значит, что фундамент – основу всего дома – необходимо будет доработать для того, чтобы он получился крепким и надежным.
Чтобы полностью исключить все проблемы при закладке фундамента, специалистами нашей компании разработан пакет "Адаптация фундамента". При реализации пакета учитываются не только технические характеристики, но и пожелания заказчика.
- глубина закладки подошвы фундамента
- несущая способность
- показатели напряжения почвы под основанием фундамента
- площадь сечения рабочей арматуры, проч.
Адаптация фундамента дает полную гарантию его прочности, а значит и надежности всего здания. Вы гарантированно избавляетесь от таких проблем, как усадка и трещины во время эксплуатации уже готового дома. Причем, зачастую адаптированный фундамент оказывается дешевле, чем вариант, первоначально заложенный в проекте. А это поможет сэкономить материалы и финансовые средства.
Подготовка проекта фундамента под конкретный участок
Если вы решили строить дом, значит, у вас есть собственное представление о том, каким должно быть жилище вашей мечты. И если ни один из типовых проектов вам не подходит, есть смысл подумать об индивидуальном проекте. К тому же, в нем будут максимально учтены все ваши пожелания: уровень комфорта, состав семьи, даже вид из окна. Понятно, что такой проект обойдется недешево. Но вы точно будете знать, что другого такого не существует.
Иногда, правда, приходится прибегать к индивидуальному проектированию вынужденно. Например, достался застройщику участок земли нестандартной конфигурации, и ни один типовой проект в него просто не вписывается. А бывает и так, что количество изменений, внесенных заказчиком, такое, что проще и дешевле спроектировать дом с чистого листа.
В конечном итоге, заказчик получает пакет проектной документации, состоящий из архитектурного и конструктивного разделов.
Реализуйте свою индивидуальность с индивидуальным проектом!
Для любого застройщика вопрос из веселого детского стишка "что нам стоит дом построить…?" далеко не праздный. Тем более что стоимость возведения дома зависит от множества факторов. Поэтому, не стоит прикидывать расходы "на глазок". Не обладая полной информацией, посчитать все до мелочей не получится и, в конечном итоге, себе же дороже обойдется. И, кроме того, тщательный просчет стоимости материалов и работ влияет не только на ваши финансы, но и на сроки постройки дома.
Предельно точно рассчитать затраты на строительство вы сможете воспользовавшись услугой "Тендерное предложение", разработанной нашими специалистами. По сути, это документ, в котором приводится полный список всех стройматериалов и работ с указанием их объемов.
Наличие тендерного предложения позволяет:
тендерное предложение, подкрепленное информацией о стоимости материалов и строительных работ – серьезный аргумент для получения в банке кредитных средств.
Нашим заказчикам DOM4M предоставляем тендерное предложение в виде таблицы в формате *.xls. Это позволит вам, после тщательного проведения анализа документа, отредактировать его самостоятельно.
Закажите подробную смету. Стройте с выгодой для себя!
Сугробы и лед в зимнее время на крыше вашего дома доставляют массу неприятностей. Можно, конечно, забраться на крышу и помахать лопатой на морозе 2-3 часа - делов-то. Но уже давно придуманы и широко применяются эффективные системы снеготаяния и антиобледенения. Их основа – нагревательные кабели. Система организована по тому же принципу, что и "теплый пол". Только более мощная и шаг укладки кабеля меньше.
Пакет "Антилед" разрабатывается с учетом особенностей энергоснабжения дома:
для крыши и водостоков: снеготаяние в желобах, на краю кровли с целью предотвращения образования сосулек и наледь в трубах
для входной группы: подогрев ступеней, дорожек и открытых площадок
для подъезда к гаражу: подогрев подъездных путей
кроме того, иногда система "Антилед" используется для подогрева грунта в теплицах, и для ландшафтного обогрева клумб, газонов и лужаек, а также для обогрев спортивных сооружений.
В процессе проектирования рассчитывается минимальный расход электроэнергии и обеспечивается противопожарная безопасность. При создании системы «Антилед» рекомендуется использовать только сертифицированные самонагревающиеся элементы, не поддерживающие горение. Кроме того, система оснащается устройством отключения при перегреве или дифференциальным автоматом для автоматического отключения системы при обнаружении энергопотерь. Если система получается слишком большая, ее разбивают на более мелкие участки. Так проще управлять ее работой.
для многоскатной крыши систему "Антилед" специалисты нашей компании спроектируют по индивидуальному заказу.
Ваш комфорт и безопасность в зимнее время
Зачастую застройщики не придают большого значения защите собственных домов от молнии: кто-то экономит, кто-то считает, кто-то надеется на "авось". Но года через 3-4 после постройки дома, многие вспоминают о защите от молнии. Толи у соседа в грозу погорела вся бытовая техника, толи на глаза попалась статистика о том, сколько за год случается пожаров из-за молний.
Предлагаем решить вопрос сразу: предусмотреть защиту уже на стадии проектирования дома. Об этом стоит задуматься хотя бы из чисто эстетических соображений – не нужно будет лишний раз долбить стены дома и тянуть токоотвод по фасаду, нарушая продуманный внешний вид здания.
Защита дома от молнии - это система устройств, расположенных как вне дома, так и внутри помещений. Внешняя молниезащита предупреждает попадание молнии в дом, внутренняя - обеспечивает защиту электросети от резких скачков напряжения. А специальные устройства защищают электротехнику от резких изменений электромагнитного поля в радиусе удара молнии.
Пакет "Молниезащита" от компании Dom4M гарантирует вам безопасноть дома даже в самую сильную грозу.
Защита от молнии: подумайте о безопасности заранее
«Центральный пылесос» представляет собой разновидность системы аспирации (удаление мелких частиц посредством засасывания их воздушным потоком).
.jpg)
Неотъемлемая часть современного дома - комфорт, чистота и свежий воздух
Толковые словари утверждают, что комфорт - это совокупность бытовых удобств, без которых немыслима жизнь
современного человека в современном доме. Большинство таких удобств закладываются еще на стадии проектирования. Но мы готовы расширить их список и помочь клиентам сделать собственное жилье максимально комфортным.
Поэтому наша компания Dom4m разработала для вас пакет "Комфортный дом", который позволит сделать жилище более прохладным в жаркий летний день, а в зимние холода – уютным и теплым.
Не отказывайте себе в комфорте. Дополнительный пакет "Комфортный дом" для тех, кто по-настоящему ценит домашний уют
Технология "Теплый пол" стала важной составляющей в поддержании оптимального температурного режима и организации общей комфортной среды в доме. Такое оборудование способно эффективно дополнить любую систему отопления. Кстати, иногда "Теплый пол" может выступать и как основной способ обогрева дома. За счет использования такого оборудования, температура пола на 2-3о выше, чем температура на уровне головы взрослого человека.
А все помещение равномерно прогревается на высоте до 1,5 метра. Как говорится: держи голову в холоде, а ноги в тепле.
Если в вашей семье есть маленький ребенок, это станет решением многих вопросов. Да и вам комфортное тепло в холодное время года не помешает.
Создайте комфортный климат в вашем доме. Пакет "Теплый пол"
Архитектурный паспорт содержит самые общие сведения о проекте частного дома. Здесь вы не найдете подробных описаний. Вся более детальная информация дана в архитектурном и конструктивном разделах проекта. В паспорте же указаны только основные размеры и высоты. Также в нем отражены технико-экономические показатели будущего строения.
Готовится такой документ в той же архитектурной компании, которая занималась проектированием вашего дома. Единого образца документа не предусмотрено, поэтому он может быть оформлен по-разному. Чаще всего, специалисты стремятся поместить всю информацию на листе большого формата.
Назначение архитектурного паспорта чисто утилитарное, поэтому в нем содержится только та информация, которая необходима для получения разрешения на строительство в местных органах архитектурного надзора.
Архитектурный паспорт
Архитектурный паспорт позволяет получит разрешение на строительство в местных органах архитектурного надзора
Подобрать достойный проект дома для сейсмоопасного района - большая проблема. Сложность заключается в том, что специализированных проектов не так уж много. Поэтому подобрать дом, соответствующей вашим представлениям о комфортном и уютном жилище достаточно проблематично.
Компания Dom4M берется адаптировать любой собственный проект под сейсмоопасный регион, где разрешена жилая застройка. Таким образом, вам не придется соглашаться на компромиссный вариант – безопасность в ущерб внешнему виду или наоборот. Мы гарантируем, что ваш дом будет уютным, красивым и безопасным.
Сейсмически безопасный дом: и надежно, и красиво
Типовой пакет документации предполагает наличие двух экземпляров проекта дома. Первый
остается у заказчика, а второй экземпляр передается строителям. В случае необходимости, вы можете дозаказать третий экземпляр проекта.
Такую копию не обязательно делать. Она может пригодиться вам только в нескольких случаях. Обычно, это делается для того, чтобы предоставить проект третьим лицам, например, поставщикам материалов. Если время дорого, то наличие дополнительного проекта дома поможет существенно ускорить работу по адаптации проекта, а наличие таких копий сразу у нескольких специалистов позволит существенно сократить сроки строительства.
А, кроме того, наличие копии проекта поможет, в случае необходимости, без лишней нервотрепки и затрат времени восстановить утерянные или испорченные документов.
Звоните! В компании Dom4M к вашим проблеме отнесутся с максимальным вниманием. Наши специалисты оформят дополнительную копию проекта в самые сжатые сроки.
Дополнительная копия проекта
Для предусмотрительных: дополнительная копия проекта с печатью
Наступила ночь, Луна вышла на небо и залила холодным светом Флоренцию. Ромео подошел к балкону, где его ждала возлюбленная, и тихо позвал:
- Джульетта! Я здесь, родная!
Послышался шорох, и девушка спустилась прямо к нему.
- О, Ромео! Как жаль, что мы не можем быть вместе, потому что наши семьи враждуют! - сказала она.
- Джульетта, этой вражде положен конец! Я построил для нас прекрасный особняк, очень большой, светлый и теплый. Теперь Монтекки и Капулетти согласятся на наш брак! - ответил он.
- И где же дом? Покажи мне его скорее! - с нетерпением попросила Джульетта.
Он провел девушку через цветущий весенний сад, и когда деревья закончились, Джульетта увидела прекрасный дом. Особняк впечатлил ее с первого взгляда: Джульетта засмотрелась на крепкие ровные стены, черепичную крышу, окна, украшенные цветами, и мягкий свет фонариков вдоль тропики. Казалось, будто сама сказка создала этот дом. Укрытый ореолом волшебства, дом звал ее войти и остаться навсегда.
- Ромео, это самый что ни на есть мужской поступок! Мы обвенчаемся, и этот дом станет символом любви и мира в наших семьях! - ответила она и направилась к дому…
Наступила ночь, Луна вышла на небо и залила холодным светом Флоренцию. Ромео подошел к балкону, где его ждала возлюбленная, и тихо позвал:
- Джульетта! Я здесь, родная!
Послышался шорох, и девушка спустилась прямо к нему.
- О, Ромео! Как жаль, что мы не можем быть вместе, потому что наши семьи враждуют! - сказала она.
- Джульетта, этой вражде положен конец! Я построил для нас прекрасный особняк, очень большой, светлый и теплый. Теперь Монтекки и Капулетти согласятся на наш брак! - ответил он.
- И где же дом? Покажи мне его скорее! - с нетерпением попросила Джульетта.
Он провел девушку через цветущий весенний сад, и когда деревья закончились, Джульетта увидела прекрасный дом. Особняк впечатлил ее с первого взгляда: Джульетта засмотрелась на крепкие ровные стены, черепичную крышу, окна, украшенные цветами, и мягкий свет фонариков вдоль тропики. Казалось, будто сама сказка создала этот дом. Укрытый ореолом волшебства, дом звал ее войти и остаться навсегда.
- Ромео, это самый что ни на есть мужской поступок! Мы обвенчаемся, и этот дом станет символом любви и мира в наших семьях! - ответила она и направилась к дому…

